MACH 1 ráfik WOOKX 29 32h Čierny
Kód: 370704
Bicykel odovzdávame
odskúšaný a nastavený

Doprava zadarmo
pri objednávke nad 100€. Do ČR pri objednávke nad 150€

Odborné poradenstvo
a servis bicyklov

Požičovňa elektrobicyklov
Prievidza & Bojnice
Podrobný popis
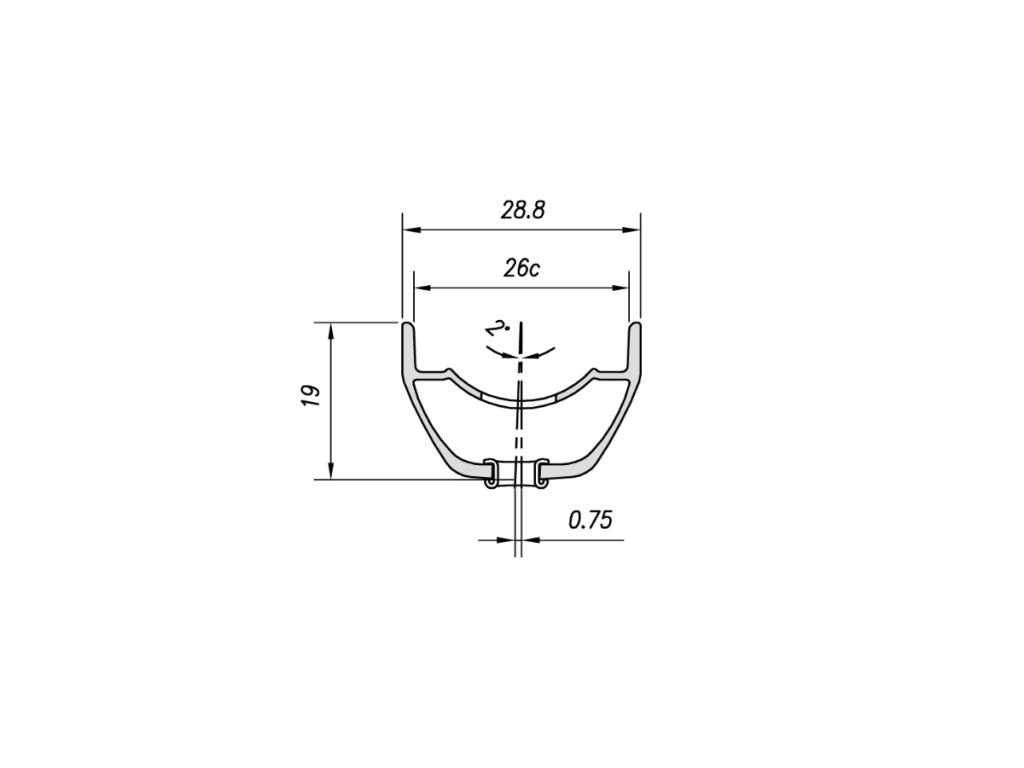
Tento nový ráfik Mach1 spája ľahkosť a výkon pre cross-country a MTB použitie. V kombinácii s nízkotlakovými plášťami optimalizuje jazdný komfort a priľnavosť.
- ALLOY 6063T6
- Pre kotúčové brzdy
- Vnútorná šírka 26mm
- Váha: 500g
- Počet dier: 32
- Priemer: 29´´
Dodatočné parametre
| Kategória: | Ráfiky |
|---|---|
| Veľkosť kolies: | 29 |
Buďte prvý, kto napíše príspevok k tejto položke.
Pridať komentár
